
能够正确反映物体长、宽、高尺寸的正投影工程图(主视图,俯视图,左视图三个基本视图)为三视图,这是工程界一种对物体几何形状约定俗成的抽象表达方式。
定义
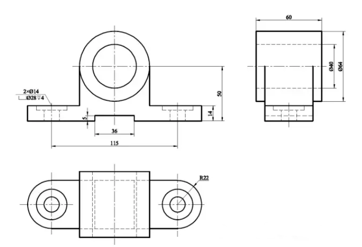
三视图是观测者从上面、左面、正面三个不同角度观察同一个空间几何体而画出的图形。将人的视线规定为平行投影线,然后正对着物体看过去,将所见物体的轮廓用正投影法绘制出来的图形称为视图。一个物体有六个视图:从物体的前面向后面投射所得的视图称主视图(正视图)——能反映物体的前面形状,从物体的上面向下面投射所得的视图称俯视图——能反映物体的上面形状,从物体的左面向右面投射所得的视图称左视图(侧视图)——能反映物体的左面形状,还有其它三个视图不是很常用。三视图就是主视图(正视图)、俯视图、左视图(侧视图)的总称。
投影规则
主俯长对正、主左高平齐、俯左宽相等
即:
主视图和俯视图的长要相等
主视图和左视图的高要相等
左视图和俯视图的宽要相等。
在许多情况下,只用一个投影不加任何注解,是不能完整清晰地表达和确定形体的形状和结构的。如图所示,三个形体在同一个方向的投影完全相同,但三个形体的空间结构却不相同。可见只用一个方向的投影来表达形体形状是不行的。一般必须将形体向几个方向投影,才能完整清晰地表达出形体的形状和结构。

我们设立三个互相垂直的平面,叫做三投影面。这三个平面将空间分为八个部分,每一部分叫做一个分角,分别称为 Ⅰ 分角、 Ⅱ 分角…… Ⅷ 分角,如图所示。我们把这个体系叫三投影面体系 ,世界上有些国家规定将形体放在第一分角内进行投影。也有一些国家规定将形体放在第三分角内进行投影 , 我国国家标准《机械制图》 (GB4458.1–84) 规定“采用第一角投影法”。
如图是第一分角的三投影面体系。我们对体系采用以下的名称和标记:正对着我们的正立投影面称为正面,用 V 标记 ( 也称 V 面 ) ;水平位置的投影面称为水平面,用 H 标记 ( 也称 H 面 ) ;右边的侧立投影面称为侧面,用 W 标记 ( 也称 W 面 ) 。投影面与投影面的交线称为投影轴,分别以 OX 、OY 、OZ 标记。三根投影轴的交点 O 叫原点。
如图所示,首先将形体放置在我们前面建立的 V 、 H 、 W 三投影面体系中,然后分别
向三个投影面作正投影。
形体在三投影面体系中的摆放位置应注意以下两点:
1) 应使形体的多数表面 ( 或主要表面 ) 平行或垂直于投影面 ( 即形体正放 )
2) 形体在三投影面体系中的位置一经选定,在投影过程中是不能移动或变更,直到所有投影都进行完毕。
这样规定的目的主要是为了绘图读图方便和研究问题的方便。
在三个投影面上作出形体的投影后,为了作图和表示的方便,将空间三个投影面展开摊平在一个平面上。其规定展开方法是,如下图所示:
V 面保持不动,将 H 面和 W 面按图中箭头所指 , 方向分别绕 OX 和 OZ轴旋转,使 H 面和 W 面均与 V 面处于同一平面内,即得如图所示的形体的三面投影图。
从上述三面投影图的形成过程可知,各面投影图的形状和大小均与投影面的大小无关。另

外,我们可以想象,如果形体上、下、前、后、左、右平行移动,该形体的三面投影图仅在投影面上的位置有所变化,而其形状和大小是不会发生变化的,即三面投影图的形状和大小与形体和投影面的距离也即与投影轴的距离无关。因此,在画三面投影图时,一般不画出投影面的大小 ( 即不画出投影面的边框线 ) ,也不画出投影轴。
如图所示,工程上,习惯将投影图称为视图,国家标准规定: V 面投影图称为主视图; H 面投影图称为俯视图; W 面投影图称为左视图。
视图画法
在画组合体三视图之前,首先运用形体分析法把组合体分解为若干
投影面展开
个形体,确定它们的组合形式,判断形体间邻接表面是否处于共面、相切和相交的特殊位置;然后逐个画出形体的三视图;最后对组合体中的垂直面、一般位置面、邻接表面处于共面、相切或相交位置的面、线进行投影分析。当组合体中出现不完整形体、组合柱或复合形体相贯时,可用恢复原形法进行分析。
1.进行形体分析
把组合体分解为若干形体,并确定它们的组合形式,以及相邻表面间的相互位置,
2.确定主视图
三视图中,主视图是最主要的视图。
(1)确定放置位置
要确定主视投影方向,首先解决放置问题。选择组合体的放置位置以自然平稳为原则。并使组合体的表面相对于投影面尽可能多地处于平行或垂直的位置。
(2)确定主视投影方向
选最能反映组合体的形体特征及各个基本体之间的相互位置,并能减少俯、左

视图上虚线的那个方向,作为主视图投影方向。图9-10(a)中箭头所指的方向,即为选定的主视图投影方向。
3.选比例,定图幅
画图时,尽量选用1:1的比例。这样既便于直接估量组合体的大小,也便于画图。按选定的比例,根据组合体长、宽、高预测出三个视图所占的面积,并在视图之间留出标注尺寸的位置和适当的间距,据此选用合适的标准图幅。
4.布图、画基准线
先固定图纸,然后,画出各视图的基准线。每个视图在图纸上的具体位置就确定了。基准线是指画图时测量尺寸的基准,每个视图需要确定两个方向的基准线。一般常用对称中心线,轴线和较大的平面作为基准线,

逐个画出各形体的三视图
5.画法
根据各形体的投影规律,逐个画出形体的三视图。画形体的顺序:一般先实(实形体)后空(挖去的形体);先大(大形体)后小(小形体);先画轮廓,后画细节。画每个形体时,要三个视图联系起来画,并从反映形体特征的视图画起,再按投影规律画出其他两个视图。对称图形、半圆和大于半圆的圆弧要画出对称中心线,回转体一定要画出轴线。对称中心线和轴线用细点划线画出。如图9-11(b)(e)。
检查、描深、最后再全面检查
底稿画完后,按形体逐个仔细检查。对形体中的垂直面、一般位置面、形体间邻接表面处于相切、共面或相交特殊位置的面、线,用面、线投影规律重点校核,纠正错误和补充遗漏。按标准图线描深,可见部分用粗实线画出,不可见部分用虚线画出。
视图关系
这两条轴把三个视图加以定位:
三视图关系
主视图在图纸的左上方
左视图在主视图的右方
俯视图在主视图的下方
主视图与俯视图长应对正(简称长对正) 主视图与左视图高度保持平齐 (简称高平齐)
左视图与俯视图宽度应相等(简称宽相等)
若不按上述顺序放置,则应注明三个视图名称
首先明确一下,物体的三视图和物体上、下、左、右、前、后六个方位的对应关系。主视图的轮廓线表示上、下、左、右、四个方位;左视图的轮廓线表示上、下、前、后四个方位;俯视图的轮廓线表示前、后、左、右四个方位。
规定左右为长,上下为高,前后为宽。
正面 侧面 背面
一般动画人设会画转面图(正、1/4 侧、正侧、3/4侧)